English
Español
Português
русский
Français
日本語
Deutsch
tiếng Việt
Italiano
Nederlands
ภาษาไทย
Polski
한국어
Svenska
magyar
Malay
বাংলা ভাষার
Dansk
Suomi
हिन्दी
Pilipino
Türkçe
Gaeilge
العربية
Indonesia
Norsk
تمل
český
ελληνικά
український
Javanese
فارسی
தமிழ்
తెలుగు
नेपाली
Burmese
български
ລາວ
Latine
Қазақша
Euskal
Azərbaycan
Slovenský jazyk
Македонски
Lietuvos
Eesti Keel
Română
Slovenski
मराठी
Srpski језик
Produktuaren ezaugarriaes
1, DC sortzea eta DC biltegiratzea, eraginkortasun handiagoa eta galera txikiagoa, hau da, fotovoltaikorako egokia eta biltegiratze potentzia handiagoa da
karga-potentzia saretik kanpoko eszenatokiak baino;
2, IP65 babesa, kanpoko erabilera betetzen duena. Inguruko MPPT-k konbergentzia-irteera areagotzen du, eta horrek kableatuak saihesten laguntzen du
Distantzia luzeetan kable fotovoltaiko (PV) anitz sistema guzti-batera igortzeak eragindako nahasmena.
3, 200-900V-ko sarrera fotovoltaikoko tentsio sorta zabala, industriaren korronte handiko modulu fotovoltaikorako sarbidea onartzen duena.
4 、 Multi-kanal MPPT, PV panel angelu anitzeko betetzen
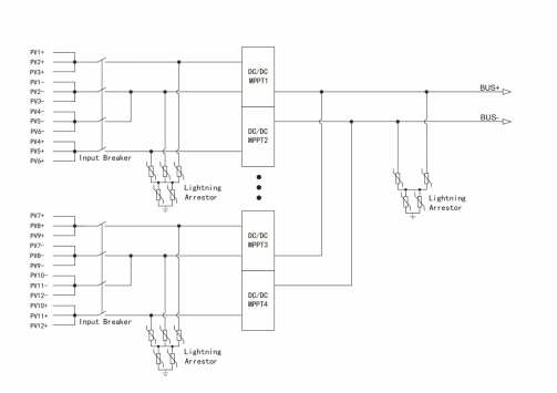
Kableatu-diagrama

Zehaztapena
| Ereduak | MPPT-8 | MPPT-6 | MPPT-12 | |
| PV-alboko interfazea Parametroak |
Fotovoltaikoko tentsio maximoa | 900V | ||
| MPPT tentsio-tartea | 200V-900V | |||
| MPPT tentsio-tartea | 560V-900V | |||
| Adar-korronte maximoa | 24A | 20A | ||
| PV sarrerako kate-zenbakia | 8 | 6 | 12 | |
| MPPT kopurua | 8 | 2 | 4 | |
| Korrontea MPPT bakoitzeko | 20A | 55A | ||
| Irteerako parametroak | Tentsio-tartea | 600-950V | ||
| Tentsio nominala | Lehenetsia 716.8V, erregulagarria | |||
| Irteera-korronte nominala | 118A | 84A | 168A | |
| Irteerako potentzia nominala | 84 kW | 60kW | 120 kW | |
| Irteerako korronte maximoa | 192A | 120A | 240A | |
| Sistema-parametroak | EUe zientzia | %99,4 | ||
| IP kalifikazioa | IP65 | |||
| Hozte kontzeptua | Konbekzio naturala | Aire behartua hoztea | ||
| Neurriak (W*D*H) | 550x530x280mm | 630×460×260mm | 630×460×260mm | |
| Pisua | 42kg | 25kg | 30kg | |
| Funtzionamendu-tenperatura | -30~55℃ | |||
| Energia hornitzeko moduak | Norbere elikadura (gauez elektrizitaterik gabe) | |||
| Komunikazio Interfazea | RS485 | |||
