English
Español
Português
русский
Français
日本語
Deutsch
tiếng Việt
Italiano
Nederlands
ภาษาไทย
Polski
한국어
Svenska
magyar
Malay
বাংলা ভাষার
Dansk
Suomi
हिन्दी
Pilipino
Türkçe
Gaeilge
العربية
Indonesia
Norsk
تمل
český
ελληνικά
український
Javanese
فارسی
தமிழ்
తెలుగు
नेपाली
Burmese
български
ລາວ
Latine
Қазақша
Euskal
Azərbaycan
Slovenský jazyk
Македонски
Lietuvos
Eesti Keel
Română
Slovenski
मराठी
Srpski језик
Produktuaren ezaugarriak
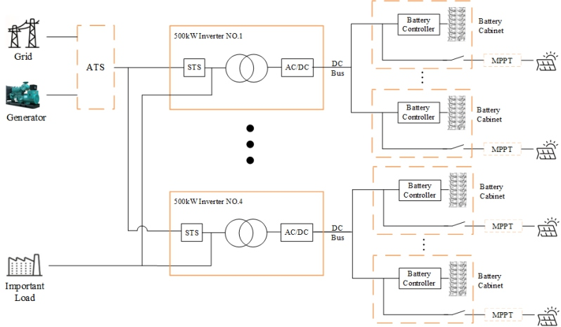
1.500 kW-tik gorako kargak, 500 kW-ko unitate bakarreko energia biltegiratze inbertsore bat erabiltzea gomendatzen da, lau konexio paralelo multzo onartzen dituena, 2 MW-ko potentzia osoa lortzeko;
2. 500 kW-ko hainbat sistema paraleloan jarduten direnean eta STSa 500 kW-ko inbertsore desberdinetan banatzean, funtsezkoa da sareko lotura-puntutik karga-punturainoko kablearen luzera koherentea dela ziurtatzea;
3. ESS hibridoak DC-akoplatutako integrazio fotovoltaikoa erabiltzen du, energia bihurtzeko eraginkortasun handia lortuz eta saretik kanpoko eszenatokietarako optimizatuta, karga-eskaria gainditzen duen PV sortzeko ahalmena duten; Kanpoko baloratu MPPT
kontrolagailuek konbinatzailea eta MPPT funtzionalitateak integratzen dituzte itxitura gogortu bakar batean. Sistema osoak diesel sorgailu ATS aukera, 300 kW-ko inbertsore hibridoa, PV MPPT kontrolagailua eta bateria ditu.
energia biltegiratzeko sistema.


Zehaztapena
| Ereduak | P500TS-400-A | |
|
DC-Side parametroak |
Tentsio-tartea | 500-950V |
| Korronte maximoa | 1128A | |
| Irteerako potentzia nominala | 500kW | |
|
AC-Side parametroak (sarera konektatuta) |
Irteerako potentzia maximoa | 550 kW |
| Irteera-korronte nominala | 722A | |
| THDi | <% 3 | |
| Sare-mota | 3W+N+PE | |
| Tentsio-tartea | 360VAC~440VAC | |
| Maiztasun tartea | 45~55Hz/55~65Hz | |
| Potentzia-faktorea | -1~1 | |
| Irteerako potentzia nominala | 500kW | |
|
AC alboko parametroak (Saretik kanpo) |
Irteerako tentsio nominala | 400V |
| Irteera-maiztasun nominala | 50/60Hz | |
| THdu | <%1 Karga lineala, <%5 Karga ez-lineala | |
| Gainkarga-gaitasuna | %11010 minutu | |
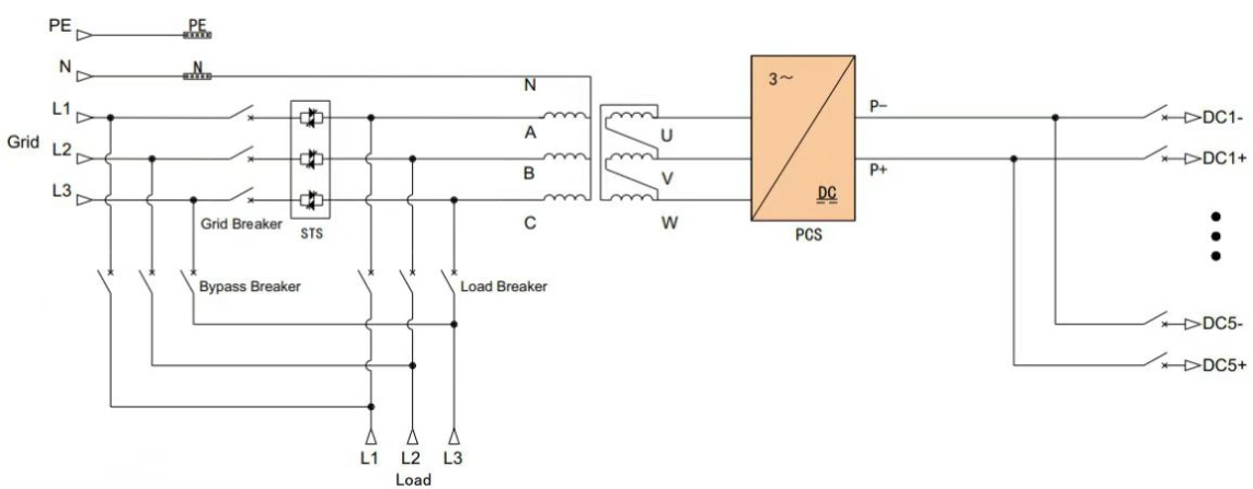
| Mantentzeko bypass etengailua | 1250A | |
|
Saretik kanpo etengailua eta aldatzeko konfigurazioa |
DC etengailua | 1250A |
| Karga etengailua | 1250A | |
| Sareko etengailua | 1250A | |
| STS unitatea | 1155A/800kW | |
| Aldaketa ordua | <20 ms | |
|
Sistemen parametroak |
Gaineraginkortasuna | %97,5 |
| Funtzionamendu-tenperatura | -30 ~ 55 ℃ (40 ℃ baino gehiagoko jaitsiera) | |
| Hezetasun erlatiboa | 0-95% RH, ez-kondentsatzen | |
| Neurriak (L*D*H) | 1600×1050×2050mm | |
| Pisua | 2700 kg | |
| IP maila | IP21 IP21 (makina osoa) | |
| Zarata | <70dB | |
| Bistaratzeko pantaila | LCDa | |
| BMS komunikazioa | CAN | |
| EMS komunikazioa | TCP/IP | |