Sistema hibrido ertaina

Sistema hibrido ertaina

Sarean eta saretik kanpo energia biltegiratzeko sistemak energia fotovoltaikoa (PV) sorkuntza, energia biltegiratzea eta kontrol adimenduna integratzen ditu. Sarera konektatutako zein modu autonomoetan funtziona dezake, elikadura-hornidura etengabea eta egonkorra bermatuz.

Bidali kontsulta

Produktuaren Deskribapena


Ezaugarri

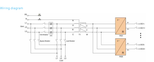
Sistemak unitate inbertsore modularrak erabiltzen ditu konfigurazio paraleloan, non

inbertsore-moduluaren DC sarrera bakoitza bateria-armairu dedikatu bati dagokio,

kluster bakoitzeko kudeaketa ahalbidetuz, artean zirkulazio-korronteak ezabatzeko

bateriaren kateak.

AC/DC potentzia-moduluek inplementazio malgua onartzen dute bai kantitatean bai

potentzia, gehienez 60 kW-ko moduluak 5 unitateko paraleloan

konfigurazioa.

Potentzia moduluen AC irteera transformadore baten bidez ematen da

irteera-etapa isolatua, erresistentzia handia duen kargari potentzia hornituz

egungo shock.

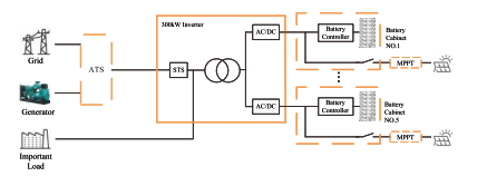
ESS hibridoak DC-akoplatutako integrazio fotovoltaikoa erabiltzen du, altua lortuz

energia bihurtzeko eraginkortasuna eta saretik kanpoko agertokietarako optimizatua PVrekin

karga eskaria gainditzen duen sorkuntza ahalmena; Kanpoan baloratutako MPPT kontrolagailuak

konbinatzailea eta MPPT funtzionalitateak integratzea itxitura gogortu bakar batean.

Sistema osoak diesel sorgailu ATS aukera du, 300 kW-ko hibridoa

inbertsorea, PV MPPT kontrolagailua eta bateriaren energia biltegiratzeko sistema.



Ezaugarri

Sistemak unitate inbertsore modularrak erabiltzen ditu konfigurazio paraleloan, non

inbertsore-moduluaren DC sarrera bakoitza bateria-armairu dedikatu bati dagokio,

kluster bakoitzeko kudeaketa ahalbidetuz, artean zirkulazio-korronteak ezabatzeko

bateriaren kateak.

AC/DC potentzia-moduluek inplementazio malgua onartzen dute bai kantitatean bai

potentzia, gehienez 60 kW-ko moduluak 5 unitateko paraleloan

konfigurazioa.

Potentzia moduluen AC irteera transformadore baten bidez ematen da

irteera-etapa isolatua, erresistentzia handia duen kargari potentzia hornituz

egungo shock.

ESS hibridoak DC-akoplatutako integrazio fotovoltaikoa erabiltzen du, altua lortuz

energia bihurtzeko eraginkortasuna eta saretik kanpoko agertokietarako optimizatua PVrekin

karga eskaria gainditzen duen sorkuntza ahalmena; Kanpoan baloratutako MPPT kontrolagailuak

konbinatzailea eta MPPT funtzionalitateak integratzea itxitura gogortu bakar batean.

Sistema osoak diesel sorgailu ATS aukera du, 300 kW-ko hibridoa

inbertsorea, PV MPPT kontrolagailua eta bateriaren energia biltegiratzeko sistema.









Zehaztapenak

Ereduak P200TS-400-A P250TS-400-A P300TS-400-A

DC-Side parametroak
Tentsio-tartea 650-950Vdc
Modulu bakoitzeko sarrerako etengailua 250A
DC kanal kopurua 3 modu 4 modu 5 modu

AC-Side parametroak
(sarera konektatuta)
Irteerako potentzia nominala 200kW 250 kW 300kW
Irteerako potentzia maximoa 220 kW 275 kW 330 kW
Irteera-korronte nominala 289A 361A 433A
THDi <% 3
Sare-mota 3W+N+PE
Tentsio-tartea 360Vac~440Vac
Maiztasun tartea 45~55Hz/55~65Hz
Potentzia-faktorea -1~1

Uhartea
AC alboko parametroak
Irteerako potentzia nominala 200kW 250kW                    300kW
Irteerako tentsio nominala 400Vac
Irteera-maiztasun nominala 50/60Hz
THdu <% 1 lineala, <% 5 ez-lineala <% 1 lineala, <% 5 ez-lineala
Gainkarga-gaitasuna % 110eko gainkarga 10 minutuz % 110 10 minutuz

Grid-Islanding
Transferentzia eta konmutadoreak
Mantentzeko bypass etengailua 400A 630A
Sareko etengailuak 630A 800A
Kargatu etengailuak 400A 630A
STS unitatea 577A/400kW 722A/500kW
Aldaketa ordua <20 ms

Sistemen parametroak
Eraginkortasun gorena %97,5
Funtzionamendu-tenperatura -30~55 ℃ -30~55 ℃ (40 ℃tik gorako jaitsiera)
Hezetasun erlatiboa 0~95%RH,0~95%RH,Kondentsaziorik gabekoa
Neurriak (L*D*H) 1300×1050×2050mm
Pisua 1400kg 1700kg               1800kg
IP maila IP21 IP21 (multzo osoa)
Zarata <70dB
Bistaratzeko pantaila LCD ukipen-pantaila
BMS komunikazioa CAN
EMS komunikazioa TCP/IP


Hot Tags: Sistema hibrido ertaina
Bidali kontsulta
Mesedez, eman lasai zure kontsulta beheko formularioan. 24 ordutan erantzungo dizugu.
X
Cookieak erabiltzen ditugu nabigazio esperientzia hobea eskaintzeko, guneko trafikoa aztertzeko eta edukia pertsonalizatzeko. Gune hau erabiltzean, gure cookieen erabilera onartzen duzu. Pribatutasun politika